中文版
|
英语版
|
日语版
镇江瑞奇达电器有限公司
专业研发生产液晶模组 显示器 光伏产品等系列
产品齐全,给您低成本、高质量,一站式采购服务
全国咨询热线:
0511-88986988
网站首页
产品中心
公司介绍
新闻资讯
联系我们
当前位置:
首页
»
产品中心
光伏变压器
发布者:admin 发布日期:{PrductDateAndTime}
产品详情
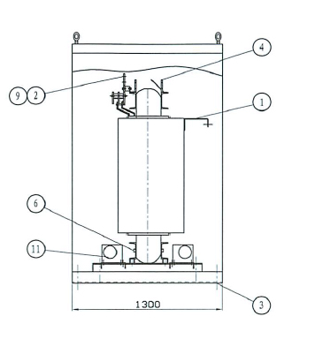
额定容量 1000KVA
一次电压 AC11000V
二次电压 AC400V
额定频率 50Hz
防护等级 IP20
连接组别 Dyn11
耐热等级 F级
冷却方式 风冷
尺寸 2000*1300*2255mm
相数 三相
产品中心
Product
液晶模组
显示器
结构件
光伏产品
光伏汇流箱
光伏逆变器
光伏电池组件
光伏支架
光伏变压器
光伏升压电站
联系我们
镇江瑞奇达电器有限公司
全国咨询热线:
0511-88986988
联系号码:
0511-88986988
公司地址:
镇江市学府路中建大厦22幢803室